Products
TSA12112
Swipe left and right more
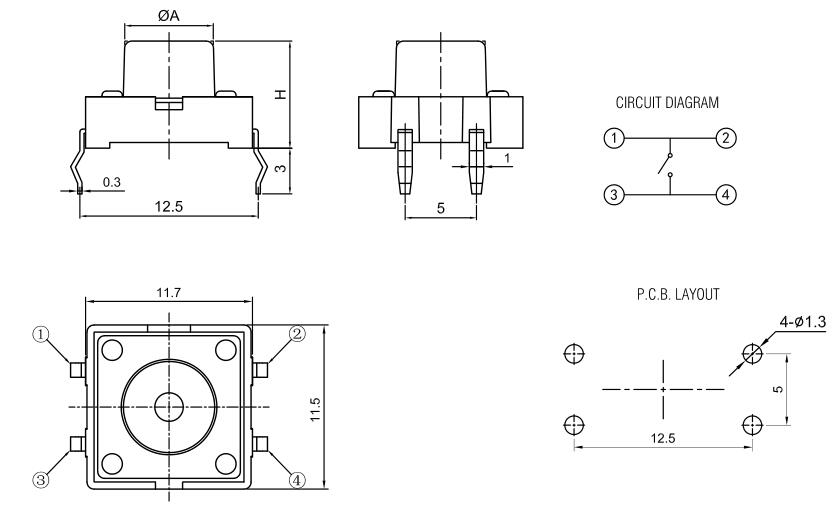
※ TSA12112
| Funtion: | Momentary action |
| Contact Arrangement: | SPST, Normally Open |
| Termination: | THD version |
※ DIAGRAM


※ SPECIFICATION





khancn3
