Products
※ SPECIFICATION
| Contact Rating | 50mA @ DC12V | |||
| Dielectric Strength | AC250V for 1 Minute | |||
| Contact Resistance | ≤100 mΩ Max. | |||
| Insulation Resistance | 100MΩ Min. | |||
| Life Expectancy | 100,000 cycles cycles | |||
| Travel | 0.35mm ± 0.1mm | |||
| IP GRADE | IP67 | |||
TSW10115
Swipe left and right more
※ TSW10115
Funtion: Momentary action
Contact Arrangement: SPST, Normally Open
Termination: THD version
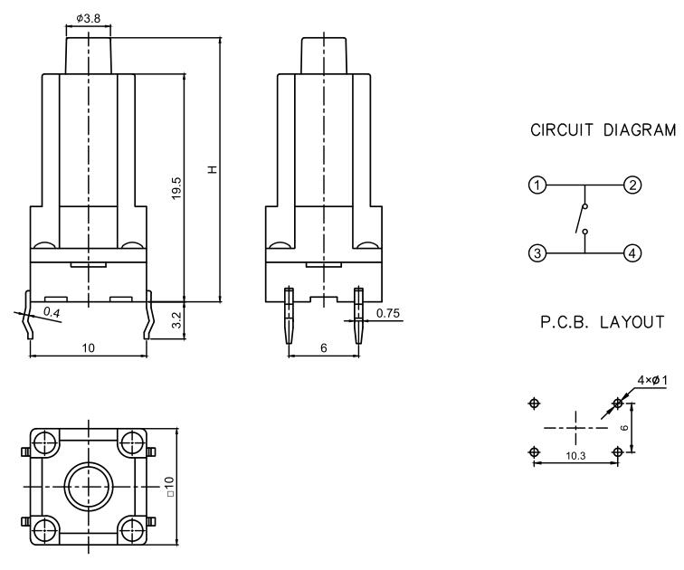
※ DIAGRAM

| H | 20.3 | 23.2 | 25.8 | 29 |
※ SPECIFICATION
| Contact Rating | 50mA @ DC12V | |||
| Dielectric Strength | AC250V for 1 Minute | |||
| Contact Resistance | ≤100 mΩ Max. | |||
| Insulation Resistance | 100MΩ Min. | |||
| Life Expectancy | 100,000 cycles cycles | |||
| Travel | 0.35mm ± 0.1mm | |||
| IP GRADE | IP67 | |||




khancn3
